AFF17-3 PACK01 AMIX Afficheur/Sonomètre
.
Afficheur/Sonomètre intégrateur - Serveur Web embarqué- Connexion IP
L’AFF17-3 est un afficheur de pression acoustique permettant une visualisation simple et efficace des niveaux de pression acoustique ambiants (bars, discothèques, salles de spectacles, salles des fêtes...).
Afin d’apporter un support fiable au suivi des niveaux sonores, les AFFseries-3 ont la particularité de pouvoir changer de couleur suivant des seuils définis au préalable et sur une large palette de couleurs.
Il est à la fois conforme à la norme NF S31-122-1 de janvier 2017 et à l’article R.1336-1-II-3° du décret n°2017-1244 du 7 août 2017 relatif à la prévention des risques liés aux bruits et aux sons amplifiés pour la partie concernant l’affichage des niveaux sonores.
Le sonomètre intégrateur est conforme à la classe 2 selon la norme IEC61672-1 de mars 2014.
* Attention par ailleurs, pour être conforme à l’article R.1336-1-II -2° du même décret il faudra confier l’enregistrement des niveaux sonores à un limiteur SNA60-3, SNA50-3 ou SNA70-3. En l’absence de limiteur, il faudra choisir l’afficheur/enregistreur l’AFF25-3.
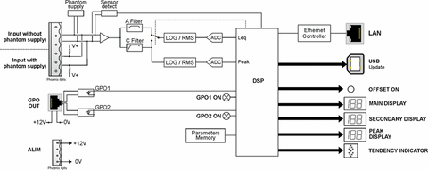
• Visualisation sur trois afficheurs programmables indépendamment en pondération A ou C, en Leq1s, 1min, 5min, 10min, 15min, 60min et en LpC. Chaque afficheur est configurable en couleur de base et en fonction des dépassements.
• Un indicateur prédictif de tendance à 9 niveaux, basé sur le Leq1min permet de gérer au mieux la gestion sonore et d’agir souplement et avec anticipation pour éviter les dépassements du Leq 10min ou 15min.
• Deux sorties relais GPO1 et GPO2 (sur RJ45) permettent le déclenchement d'une alarme ou une signalisation extérieure. Choix pour chaque GPO de la pondération A ou C et du Leq1s,1min,10min ou 15min.
• La consultation et la programmation sont réalisées par le port LAN (IP).
• Intégration d'un serveur web embarqué, permettant la configuration et la consultation en temps réel des niveaux sonores. La liaison sous la forme IP fonctionne avec n'importe quel OS, n'importe quel navigateur et surtout sans avoir à télécharger un logiciel spécifique.
• Fonctionnement seul ou en réseau.
• Fourni avec un pied rotule pour permettre l'orientation idéale.
• Alimentation 12V fournie.
Dimensions : 265 x 150 x 35 mm
Weight : 2 kg (AFF + Sensor + stand)






